设为首页
加入收藏
产品导航
 
 静态混合设备
· SV、SK等静态混合器
· 煤气静态混合器
· SQS汽水混合器
· 分配器
· 喷射混合器
· 蒸汽减温器
· 纸浆漂白专用设备
 → 浆氮静态混合器
· 浸没式汽水加热器
· 粉粒体静态混合器
 过滤设备
· 管道过滤器
 → 篮式过滤器
 → T型过滤器
 → Y型过滤器
 → 临时过滤器
· 精细过滤器
 → 袋式精细过滤器
 → 金属滤芯精细过滤器
 → 非金属滤芯精细过滤器
 → 陶瓷滤芯精细过滤器
· 空气过滤器
 → 自洁式空气过滤器
 → 送风空气过滤器
 → 吸风空气过滤器
· 磁性过滤器
 管道专用小型设备
· 采样器
 → 在线采样器
 → 密闭采样器
 → 罐下采样器
 → 取样冷却器
· 阻火器
· 视镜
· 安全淋浴洗眼器
· 蒸汽分水器
 混合机
· 高剪切混合乳化机
· 管线式混合乳化机
· 星形给料机
 管壳式换热器
· 管壳式换热器
您当前的位置>>首页>>产品介绍>>安全淋浴洗眼器

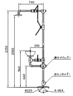
Z-XYQ-PⅠ型普通复合式喷淋洗眼器

1、产品概述
  Z-XYQ型系列安全事故喷淋洗眼器是使用于接触酸、碱、有机物及其它有毒、腐蚀性物质等易发生事故的场所。当发生意外伤害事故时,使用本装置进行喷淋冲洗,可将伤害减轻到最低程度,是一种安全劳动保护的必备设施。



2、产品分类、功能及选型


Z-XYQ-PⅠ型普通复合式喷淋洗眼器

1、基本功能特点
●.带有喷啉和洗眼功能(冲洗脸部烧伤面)的普通型产品,装置中始终有水不能放空,适用于气温较暖之处。
●.侧面进水口设有Rc11/4的内螺纹接口(或DN32.PN0.6法兰)与水源连接。
●.顶端有一Rc11/4的内螺纹接口(或DN32.PN0.6法兰)备用进水口,当水源由上方进时,堵塞侧进水口。
●. 当打开洗眼进水阀时,洗眼喷头自动喷水,不用时关闭进水阀门即可,使用方便。需喷淋时用手轻拉阀门拉杆,水从喷淋头自动喷出;用后须将阀门拉杆复位。
●.在进水口处设有过滤器,确保水质清洁。
●.由流量调节阀调节洗眼喷头喷水,确保出水柔和。

2、技术性能参数


3、主要部件材料选用

 
南通沃尔驰石化工程有限公司 地址:江苏启东市中央大道691号 篮式过滤器 | Y型过滤器 | T型过滤器临时过滤器 | 管道过滤器
电话:0513-83325673 传真:0513-83119878 网址:www.qdqtgm.com E-mail:13862978163@126.com